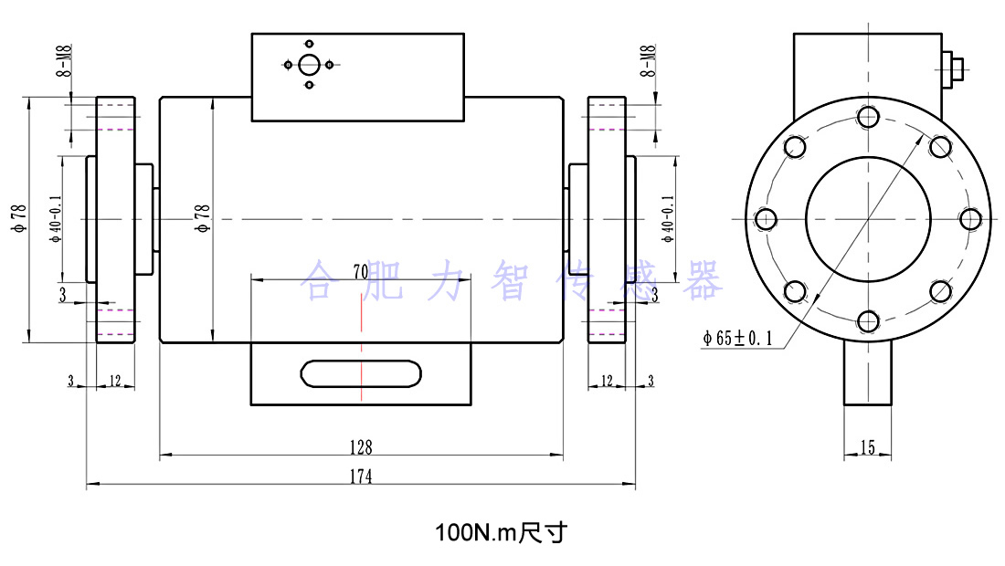
| LZ-DN4動態扭力扭矩傳感器 |  | | | | 一、法蘭式動態扭矩傳感器特點: | | 扭矩測量功能;能源及信號非接觸傳遞功能;輸出信號數字化功能;可以傳遞靜止扭矩信號、旋轉扭矩信號、動態扭矩信號、靜態扭矩信號;傳遞信號時與是否旋轉,轉速和轉向無關。可以適應長時間,高轉速運轉;精度高,穩定性好;體積小,重量輕,易于安裝;不需反復調零即可連續傳遞正反轉扭矩信號;沒有集流環等磨損件,可以高轉速長時間運行;抗干擾性強;可任意位置、任意方向安裝 | | 二、法蘭式動態扭矩傳感器應用范圍: | 1、傳遞電動機、內燃機等旋轉動力設備的輸出扭矩及功率。 2、傳遞發電機、風機、泵、攪拌機、減速器、變速器、卷揚機、螺旋槳、鉆探機械等設備的負載扭矩及輸入功率。 3、傳遞各種機械加工中心、自動機床工作過程中的扭矩。 4、傳遞各種旋轉動力設備系統所產生的扭矩及效率。 5、可用于制造粘度計。 | | 三、技術參數 |
| 量程 | 100N.m | | 扭矩精度 | ±0.2%F?S | | 頻率響應 | 100us | | 適應轉速 | 3000轉/分以下 | | 非線性 | ±0.2%F?S | | 重復性 | ±0.1%F?S | | 回差 | 0.1%F?S | | 零點時間飄移 | <±0.2%F?S | | 零點溫度飄移 | <±0.2%F?S | | 輸出阻抗 | 350Ω±1Ω、700Ω±3Ω、1000Ω±5Ω(可選) | | 絕緣阻抗 | >500MΩ | | 靜態超載 | 120%、150%、200%(可選) | | 使用溫度范圍 | -10~50℃ | | 存貯溫度范圍 | -20~70℃ | | 電源 | ±15V±5% | | 總消耗電流 | <200mA | | 信號輸出 | 0-12V方波頻率;空載:10kHz; 正向滿量程:15kHz;反方向滿量程:5kHz | | 額定扭矩 | 10kHz±5kHz(正反方向測量值) |
|